日本春日(KASUGA) BLL 交流離子風機有高壓電源連接使用的高速、高帶電用的BLL系列、電源一體型的BLT系列、設計小巧
輕便的BLS系列等。
日本春日(KASUGA) BLL 交流離子風機產品特點:
內藏的風扇把交流除電器生成的離子運送到除電對象、是中和除電的送風型除電裝置。
根據機器幅度和生產工序來制造電級,zui適合寬幅度的薄膜、薄膜紙的除電。
特別是適合帶電物距離有變化時、對不能安裝在帶電物附近的卷紙機等處的設置更有效。
有高壓電源連接使用的高速、高帶電用的BLL系列、電源一體型的BLT系列、設計小巧輕便的BLS系列等。
*BLT\BLS內置有檢測異常放電后使裝置停止的保護裝置。
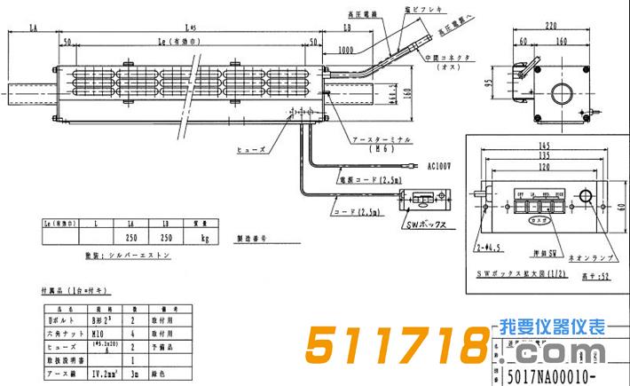
日本春日(KASUGA) BLL 交流離子風機產品外觀圖:
