德國Leckel KFG系列LVS3/MVS6/LVS6-RV小型顆粒物采樣器能在溫度為-30℃至50℃,海拔0-4800 米的環(huán)境下使用,也可用于室內。其采樣頭可以用于環(huán)境空氣、室內空氣和工作場所空氣檢測。
德國Leckel KFG系列LVS3/MVS6/LVS6-RV小型顆粒物采樣器產品簡介:
儀器依據VDI 2463-7,PM10/PM2.5采樣器符合標準CEN EN 12341:2014
KFG系列采樣器能在溫度為-30℃至50℃,海拔0-4800米的環(huán)境下使用,也可用于室內。
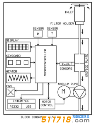
采樣流量的控制由經過溫度和壓力補償的孔板流量 計實現,以工況m3/h為單位,遵守伯努利定律 (Bernoulli’s law),并根據玻意耳馬里奧特定律 (Boyle-Mariotte’s law),將工況流量轉換為標況流量。
采樣流量和采樣體積以工況m3/h和工況m3(實際環(huán) 境溫度)及標況m3/h和標況m3(0 ℃,1013mbar)顯 示和存儲(U盤)。
此外,*有相關數據都可顯示并可存儲到U盤,也可根據Bavarian-Hessian協(xié)議直接將數據由RS232接口傳輸到計算機。
當濾膜前后的壓差>300 mbar時,采樣器會自動關閉。
在斷電的情況下,內置高容量電池能保證存儲在微處理器內存中的數據可以*全保存數年。
濾膜夾放置在采樣頭沖擊器的下面,材質為聚甲醛(POM)。
采樣頭可以外置安裝,例如將其安裝在路邊或房間 客廳內,與采樣箱體距離較遠時,兩者之間可以用軟管連接。

通過面板上的三個按鍵可以輕松地校準流量、溫度和壓力傳感器。
采樣頭:
用于環(huán)境空氣、室內空氣和工作場所空氣檢測
測量PM10和PM2.5 (EN 12341)
測量PM4.0 and PM1.0
測量總懸浮顆粒物TSP (VDI 2463-8)
測量重金屬(VDI 2267 and EN14902))
測量多氯聯(lián)苯 PCBs (VDI 2464-1)
測量炭黑 (EC/OC) (VDI 2465 and CEN/TR 16243)
測量二惡英和呋喃 (VDI 3498-2 and ISO 16000-13)
測量空氣中霉菌(VDI 4252-2)
測量多環(huán)芳烴、多氯二苯并二惡英、多氯代二苯并呋喃、 多氯聯(lián)苯和室內灰塵 (VDI 4300, ISO 16000-13 and Directive 2004/107/EC)
測量五氯苯酚/林丹 (VDI 4301)
測量苯并芘 (EN 15549)
采樣濾膜也可用于分析離子(硫酸、硝酸等)以及放射性。
德國Leckel KFG系列LVS3/MVS6/LVS6-RV小型顆粒物采樣器產品特點:
堅固耐用,不銹鋼結構重量輕,戶外使用,占地面積小
三鍵式菜單操作簡單快捷:手動啟停、自動啟停、間隔模式
U盤存儲數據(數據記錄功能)
Bavarian-Hessian 協(xié)議
存儲數據具有斷電保護和實時鎖定的功能
設備可自動加熱和通風
工況/標況體積流量(m3/h)控制
沖擊采樣頭配有8個可更換噴嘴,實現PM10–PM4.0–PM2.5–PM1.0的測量
針對TSP,聚氨酯泡沫(帶或不帶臭氧去除器)以及生物 氣溶膠設計不同的采樣頭
外置安裝采樣頭
使用直徑47mm和50mm濾膜